Select to view content in your preferred language

Why does my DTM have a tile effect while the DSM does not? And how can I remove the tiling from the DTM?

2182
7
09-11-2024 03:56 PM
AnthonyDeLuca
Emerging Contributor

Hello everyone,

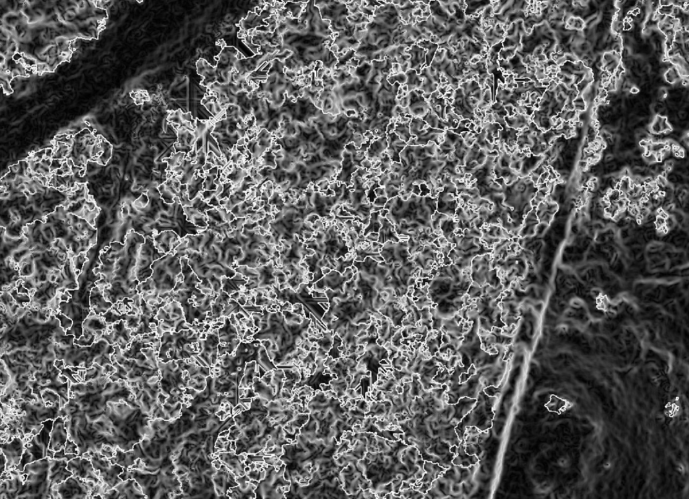
I was hoping someone could help me figure out an issue I have been having. When I apply a slope or hillshade to the DTM produced, there is a visible tiling effect which is rather unsightly. But if I apply a slope or hillshade to the DSM, there is no such tiling effect. In my latest run of my images I selected Merge Tiles True Ortho under 2D Products thinking that perhaps if the True Ortho images are merged that the tiling effect in the DTM will disappear. However, that does not appear to be the case. Am I missing something?

First picture is a slope with the DTM. Second picture is a slope with the DSM.

slopedtm.PNGslopedsm.PNG

0 Kudos
7 Replies
AnthonyDeLuca
Emerging Contributor

I am still seeking information on this issue if anyone can help me. Here is a small clip of another area in which I used twice as many photos to generate the True Ortho, DSM, and DTM. The grid effect is even worse and very visible on the architecture.

slopedtm2.PNG

0 Kudos
CodyBenkelman
Esri Regular Contributor

Anthony

Sorry nobody has replied.  I don't fully understand this - Is this a Drone2Map question?  D2M does not provide the ability to represent DSMs/DTMs as slope.  Are your screenshots generated in ArcGIS Pro or some other software?  Or did you create a slope function template in Pro and import it into Drone2Map?   

If you can send your original DSM, DTM, and slope version of one or both it might help - but let us know how they were created.

Cody B.

0 Kudos
AnthonyDeLuca
Emerging Contributor

Hi Cody,

 

This is a Drone2Map question because I used Drone2Map to create the DSMs and DTMs from drone-based photos. What I do not understand is why the DSM that Drone2Map created lacks these tile lines visible in a hillshade or slope raster, but the DTM does have these tile lines.

The screenshots are from ArcGIS Pro. In Drone2Map I simply clicked the "Open in ArcGIS Pro" button and everything like the DSM, DTM, and TrueOrtho were automatically imported into Pro.

 

When I get home later today, I can share screenshots of the processing options I used in Drone2Map to create the DSMs/DTMs if that helps.

0 Kudos
AnthonyDeLuca
Emerging Contributor

Hi Cody,

Here are the options I am using in Drone2Map. There are two areas I am generating DSMs/DTMs for and they are different in overall size. The larger area has almost 700 photos and the smaller area almost 400 photos. But I am using the same options for both areas to try and create as high a quality DSM, DTM, and True Photo as possible.

lgoptions1.PNGlgoptions2.PNGlgoptions3.PNGlgoptions4.PNG

0 Kudos
CodyBenkelman
Esri Regular Contributor

hi Anthony

We've done some internal testing but can't reproduce this, and we've never seen or heard of this from other users.  Have you seen this with other datasets?  

Can you send us your DSM and DTM?  Either that and/or send us some of your source images?  I'll send you a direct message so you have my email.  

If the files are too large, we could do some testing with subsets (clipped area of interest) from the DSM and DTM.  If the data is proprietary, we'll keep it confidential within Esri.  But if it's highly sensitive and you can't share it, we'll have to pursue other methods to find the problem.

Thanks
Cody B

 

0 Kudos
PatrickOswald1
New Contributor

I got a similar issue with tiling, there the resulting DTM has "steps" very different elevation values between the tiles resulting in steps that make the DTM unusable. My project is a rather big one with 10000 images and 3.5cm ground resolution. though it still should work as the DSM model looks good.

The same problem happened also with another larger project i had (15000 images). What to do?

dtmsteps.png

0 Kudos
MarkBarker1
Esri Contributor

Hi @PatrickOswald1,

We are looking into this behavior to see if we can reproduce it on our end. Are you willing to share a subset of your project with us to test with?

If so, please email me directly and I can get a file share setup.
mbarker@esri.com

Thank you,
Mark

0 Kudos